Benutzer-Werkzeuge

    ~~ RM: keiner ~~ UI: ---start--- ~~ IP:216.73.216.187~~

Webseiten-Werkzeuge


Stromanschluß-Verbinder

oder auch Power-Connector, umgangssprachlich 'Strom-Stecker', Netzteilstecker, Netzteilbuchse

A500 / A600 / A1200

 A600 Lötseite 
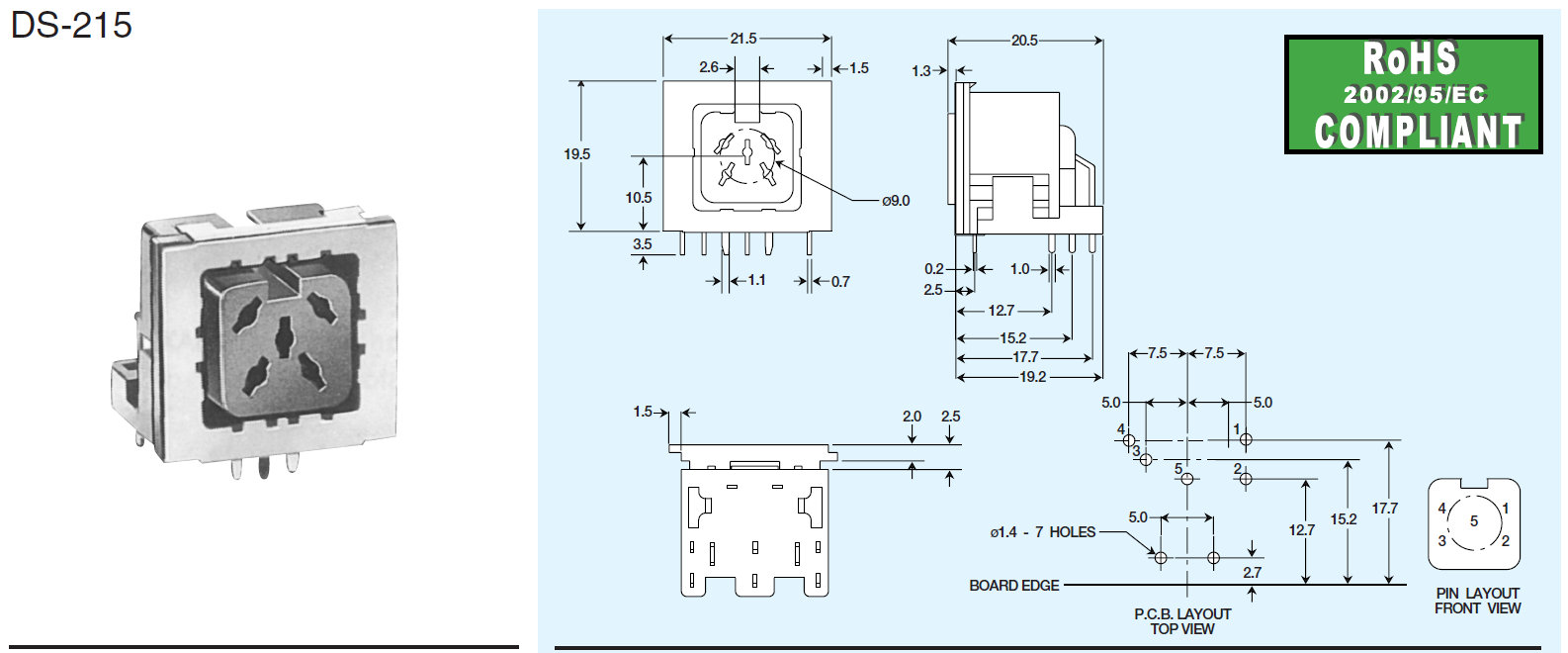
Print-Buchse Art.Nr.: DS-215 (5pol DIN square print)
Datenblatt Stecker Print-Buchse
Lieferant u.a. …
Belegung
Eagle-Library Bauteil Print-Buchse


A1000 (J14)

A1000
Hersteller
Serie
Print-Buchse Art.Nr.: …
Datenblatt
Lieferant u.a. …
Belegung


A2000 (CN400)

A2000
Hersteller
Serie
Print-Buchse Art.Nr.: …
Datenblatt
Lieferant u.a. …
Belegung


A3000 (CN160)

A3000

TE Connectivity Mini-Universal Mate-N-Lok Leiterplatten-Stiftleiste gerade, 15-polig, Raster 4.14mm, Lötanschluss, 9.5A

Hersteller TE CONNECTIVITY (TYCO ELECTRONICS AMP)
Serie MATE-N-LOK
Print-Buchse TE-Art.Nr.: 1-770190-0
Datenblatt
Lieferant u.a. RS-Online
Belegung


A3000 - Stecker (am Netzteil)

TE Connectivity Mini-Universal MATE-N-LOK Male 4.2mm, 15-polig / 3-reihig Gerade, Kabelmontage

Hersteller TE CONNECTIVITY (TYCO ELECTRONICS AMP)
Serie MATE-N-LOK
Print-Buchse TE-Art.Nr.: 172171-1
Datenblatt
Lieferant u.a. RS-Online
Belegung

A3000-T (CN160)

A3000-T
Hersteller TYCO ELECTRONICS AMP
Serie MINI MATENLOK
A3000D Stromstecker TYCO-Nr.: 172342-1
Board-Buchse ?
Kontaktstifte TYCO-Nr. 170366-1
Datenblatt
Lieferant u.a. …
Belegung


FIXME Belegung http://www.a1k.org/forum/showpost.php?p=48826&postcount=4

A4000 (CN160)

Board-Connector (F)
Hersteller TE CONNECTIVITY (TYCO ELECTRONICS AMP)
Serie MATE-N-LOK
Print-Buchse TE-Art.Nr.: 350827-1
Datenblatt Zeichnung und Daten-Matrix
Lieferantu.a. RS-Online, Digi-Key
Belegung


Netzteil-Stecker (M)
Hersteller TE CONNECTIVITY (TYCO ELECTRONICS AMP)
Serie MATE-N-LOK
Print-Buchse TE-Art.Nr.: 350715-1 bzw. -4 (alle? ohne Kontakte!)
Kontaktstifte
Datenblatt Zeichnung
Lieferant u.a. rs-online, Digi-Key, Reichelt
Belegung

die -1 und die -4 unterscheiden sich im Clip
welcher ist richtig ?

bei Reichelt (-4):
„MNL 6SG“ als Steckergehäuse und „MNL SK2“ als Einsatz zum Ancrimpen


A4000-T (CN160)

diverse P8P9

AT P8/P9 Power-Connector:
The original PC debuted in 1981 and used two cables to connect the PSU (power supply) to the motherboard. The two cables plug side by side into the motherboard connectors. Sometimes they are keyed so they only plug in one way and sometimes they aren't. Even if they're keyed you can insert them the wrong way if you put a little effort into it. You always have to remember to plug them in so the black wires are next to each other.

black to black schwarz zu schwarz aneinander stecken


Hersteller diverse
Serie Standard PC-Power-Connector P8/P9
Raster 3,96mm - Belastung 5A
Print-Header Art.Nr.: Molex 15-48-0106
Connector-Housing Art.Nr.: Molex 90331-…
Crimp-Contact Art.Nr.: Molex 08-50-0276
Datenblatt Header Housing
Lieferant ??
Belegung s.u.


Pinbelegung / Pinout

für A4000-Tower (PC-AT)

bei ATX-Netzteilen die Steckerbelegung



3.5 Floppy-Power

Plug

Typischerweise für 3½ Floppy-Disk-Drives. Wird auch Berg-Connector genannt und haben einen Pin-Abstand von 2,5mm und eben nicht 2,54.

Header
Cable socket (Plug)AMP / TE Connectivity171822-4PDF
Crimp-Contact???AMP 170262-1
Vertical PCB headerAMP / TE Connectivity171825-4PDF
Right Angle PCB headerAMP / TE Connectivity171826-4
gewinkelt

Belegung

PinColorDescription
1 Red+5 VDC
2 BlackGround
3 BlackGround
4 Yellow+12 VDC
Floppypower-Pinout


5.25 Power-Connector

Power for Internal Peripheral Devices Four Pin Molex Power Connector

Molex Drive Connector Typically used for 5¼ drives such as CD Rom and DVD Drives. Used for legacy IDE, EIDE, and ATA Hard Drives.

Belegung

PinColorDescription
1 Yellow+12 VDC
2 BlackGround
3 BlackGround
4 Red+5 VDC


www.amigawiki.org

Downloads / Links

Zuletzt geändert: 2024/09/22 00:26